In steelmaking, the slide gate plate is a core fluid control component critical to processes ranging from slag management in converters to molten steel flow regulation in continuous casting. Its functions—including precise flow control, sealing against oxidation, rapid switching, and batch material handling—directly impact production continuity, steel quality, and operational safety.First, let me show you the whole slide gate plates system.

Today I would like to share some common ladle slide gate plate drawings globally.
1.QC slide gate plates
QC slide gate plates were invented by the interstop company,now belongs to RHI group,and are widely used in the small ladle,such as 20ton,30ton,mainly includes 1QC and 2QC.


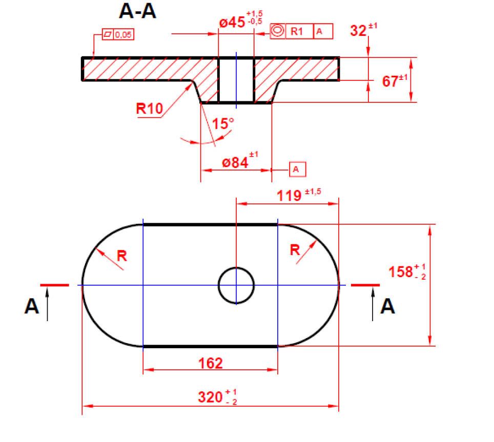
2.cs slide gate plate series


Let us see the drawing of cs60 and cs80


3.LS series slide gate plate

4.Flocon series slide gate plate
Flocon slide gate plates were invented by a UK company, with the feature that lower plates comboned with lower nozzle,which is mainly used in Turkey,Italy,north of Africa,some Europe countries.The main types are flocon 4200,6300 as follows:


5.LG slide gate plates series
LG slide gate plates are invented by Vesuvius


6.FT160
FT series are mainly used in the italy,and the surrounding countries.

7.BK series slide gate plate
Slide Gate Refractory are used in ladle for controlling the liquid steel flow from Ladle to Tundish. These are special refractories and also should be handled with care. Failure in this may lead to serious disaster.
Slide gate plates are available in a number of different chemistries and bond systems to best match the grades of steel and chemistries of the slag. Specific physical, chemical and mineralogical compositions of high purity ensure high corrosion and erosion resistance, optimum thermal shock resistance to yield optimum performance.
HYRE Supplies Nozzle in a number of different compositions to best suit the operating conditions of the steel ladle. Nozzles are available in alumina qualities (with and without carbon additions, zirconia additions) to best resist the slag chemistry.
We have a comprehensive range of Slide Gate Refractory products of all grades and shapes according to the need of refractories requirements of core sector industries.
Main Features:
– High density / Low Porosity
– High Strength
The models are equivalent to
-
- Saflow Slide Plate
- 1QC Slide Plate
- 2QC Slide Plate
- 4200 Slide Plate
- 6300 Slide Plate
- LG21 Slide gate plate
- LG22 slide gate plate
- CS60 slide gate plate
- LS70 slide gate plate



